Adresa: Mikulovice 200, Pardubice , Otevírací doba: Po-Pá: 7:00 - 15:30

Zaregistrujte se a po přihlášení získejte slevu.

Vážení zákazníci, dne 24.3.2025 bude naše společnost z provozních důvodů zavřena. Osobní vyzbednutí objednávek nebude tenzo den možné. Omlouváme se za komplikace

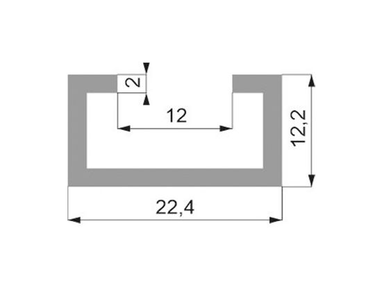
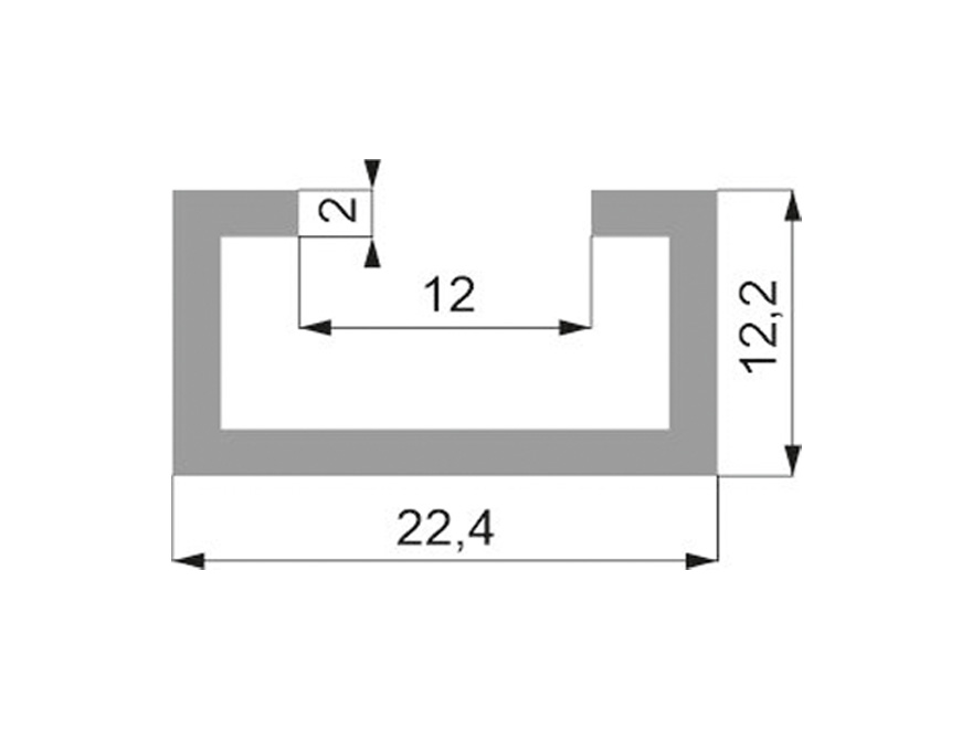
Hliníkový C profil 22.4x12.2

Rozměry

Délka (mm)
6000
možnost řezat

Další informace

Váha v kg/m
0,274 kg/m
Číslo produktu
101350
Materiál
AW 6060 T66
Povrchová úprava
bez PÚ
Norma
EN 755-1,2,9

Cena

Cena za m
49,32 Kč bez DPH
59,68 Kč s DPH
Cena za kg
180,00 Kč bez DPH
Dostupnost
skladem

Zadejte rozměry pro Hliníkový C profil 22.4x12.2

Přidat další rozměr
Vaše cena
Shrnutí

Vzniknou-li při řezání 6000mm tyčí zbytky kratší než 3000mm, jsou tyto naúčtovány a přibaleny k objednávce. U tyčí jiných délek je zbytkový materiál počítán individuálně. Zbytkový materiál kratší než 50mm není součástí objednávky.
Řezáním profilů vzniká přirozený úbytek materiálu cca 5mm. Prořezy jsou automatiky započítány do celkové ceny objednávky.
Materiál dělíme na kotoučových pilách s přesností +-1mm.

Nevíte si rady se zadáním rozměrů?
Rádi vám poradíme.

Jak objednat požadovanou délku

+420 777 489 777 Po-Pá: 7:00 - 15:30
info@ehlinik.cz

Název atributu Hodnota atributu
Další parametry
Povrchová úprava bez PÚ
kg/MJ 0,274
kg/m 0,274
Měrná jednotka m
Dostupnost Skladem
Norma EN 755-1,2,9
Interní Parametry
Regál - číslo 43
Regál - řada E
Abra ID 2VS0000101
Abra Cena ID 0HBW100101
Číslo produktu 101350
Abra Množství 2650682,000
Minimální délka neúčtovaného zbytku 3000
LastUpdate 08.11.2025 0:38:41
Délka
Délka (mm) 6000
Materiál
Materiál AW 6060 T66

Časté dotazy

Hliníkové profily můžete u nás koupit dělené na požadovanou délku nebo po celých tyčích. 

Nákup děleného materiálu 
  • Do pole Délka 1 ks zadejte požadovanou délku v milimetrech (mm). 
  • Zadejte počet kusů. 
  • Vyberte, zda: 
    •  Akceptujete délku zkrácenou o prořez pily (cca 5 mm) = o prořez kratší 
    •  Požadujete přesnou délku (tolerance ±1 mm) = přesná délka 
  • Výsledná délka se zobrazí vpravo. 
  • Pokud potřebujete více délek od jednoho materiálu, klikněte na + Přidat další rozměr a zadejte další požadovanou délku. 
Nákup po celých tyčí 
  • Nad polem Délka 1 ks zaškrtněte možnost Po tyčích
  • Zadejte počet tyčí – jejich délka se automaticky předvyplní. 
  • Do pole vpravo specifikujte, zda mají být tyče naděleny, nebo ponechány vcelku. 
  • Každý nařezaný kus bude o cca 5 mm kratší kvůli prořezu pily.

Pokud potřebujete upravit objednávku, kontaktujte nás v co nejkratším termínu, nejlépe telefonicky na tel. 777 489 777 nebo e-mailem na info@ehlinik.cz.

! Upozorňujeme, že pokud bude Vaše objednávka již zpracována, nemusí být možné provést v objednávce změny.

Všechny objednávky vychystáváme ručně. Doba vyřízení objednávky záleží především na náročnosti zpracování a kapacitě řezárny. 

Aktuální doba zpracování objednávek: 

  • Celé tyče, kusový materiál: 1-2 pracovní dny + doprava (48 hodin) 
  • Dělený materiál: 2-4 pracovní dny + doprava (48 hodin) 
  • Velkoobjemové zakázky: individuální doba zpracování – domluva se zákazníkem!  

V případě volné kapacity řezárny a skladu můžeme objednávky vyřizovat obratem, tedy i expedovat ten samý den, kdy byla objednávka přijata. 

! Pokud Vám materiál nebude doručen do 48 hodin od obdržení informace o převzetí zásilky přepravcem, prosím, informujte nás o tom. Prověříme, kde se Vaše zásilka nachází.

Poškození materiálu přepravou – pokud Vám přepravní služba dodala poškozenou zásilku, uveďte tuto skutečnost do přepravního listu přepravce a udělejte si kopii nebo vyfoťte tento zápis telefonem. Poté nás o této skutečnosti informujte e-mailem na info@ehlinik.cz. Zpráva musím obsahovat číslo objednávky nebo faktury, Vaše kontaktní údaje a popis zjištěné škody včetně pořízené fotodokumentace. 

! Zápis proveďte i v případě pouhého podezření na poškození zásilky. Bez zápisu o poškození zásilky nejsme schopni po dopravci požadovat plnění. 

Povrchové poškození nezpůsobené přepravou – pokud dodaný materiál vykazuje poškození, tedy hrubé vrypy a škrábance, které nebyly jednoznačně způsobeny přepravou, prosím, nafoťte tyto a zašlete nám pořízenou evidenci e-mailem na info@ehlinik.cz. Zpráva musím obsahovat číslo objednávky nebo faktury, Vaše kontaktní údaje a popis zjištěné škody včetně pořízených fotodokumentace. 

Chybějící materiál, záměna zboží, jiný rozměr, ostatní – pokud jste obdrželi nekompletní zásilku nebo dodané rozměry neodpovídají Vaší objednávce, prosím, kontaktujte nás e-mailem na info@ehlinik.cz. Zpráva musí obsahovat číslo objednávky nebo faktury, Vaše kontaktní údaje a popis zjištěných nesrovnalostí. 

Vrácení materiálu v zákonné lhůtě – pokud chcete vrátit zakoupený materiál v zákonné lhůtě 14ti dnů, prosím, postupujte podle pokynů uvedených v následujícím odkazu. 

! Na dělený materiál se zákonná lhůta pro vrácení zboží bez udání důvodu nevztahuje.  

Pokud si nejste jisti, jaký materiál objednat, můžete se za námi stavit na naší provozovně kousek od Pardubic - Mikulovice 200, 530 02 Mikulovice. Rádi Vám poradíme přímo na místě. 

! Upozorňujeme, že na počkání vyřizujeme pouze malé zakázky. Vždy závisí na vytížení skladu a řezárny. Vyřízení většího množství na počkání je možno pouze po předchozí domluvě.

Pokud jste na našem e-shopu nenašli, co hledáte, ozvěte se nám a my se Vám pokusíme pomoci.

Většinu materiálu, který nabízíme na našich stránkách, nakupujeme přímo z výrob. Proto jsme Vám schopni nabídnout výhodnější podmínky na celokartonová množství. V případě zájmu nás kontaktujte e-mailem na info@ehlinik.cz.

Naše firma, tedy kanceláře, sklady i prodejna se nachází na jedné adrese - Mikulovice 200, 530 02 Mikulovice – Pardubice. 

Otevřeno pro Vás máme Po-Pá 7:00 - 15:30. Víkendy máme zavřeno.